规格
| 额定输出 | 1~1.5mV/V |
|---|---|
| 非线性 | ±0.2%R.C. |
| 滞后 | ±0.2%R.C. |
| 重复性 | ±0.1%R.C. |
| 零点平衡 | -0.2~+0.2mV/V |
| 零点的温度影响 | ±0.2%R.C./10℃ |
| 输出的温度影响 | ±0.2%R.C./10℃ |
| 允许过载 | 150%R.C. |
| 温度补偿范围 | -10~70℃ |
| 允许温度范围 | -30~85℃ |
| 输入阻抗 | 295Ω以上 |
| 输出阻抗 | 295~400Ω |
| 推荐外加电压 | 5V以下 |
| 最大外加电压 | 0.5~12V |
| 绝缘阻抗 | 5GΩ以上 |
| 防护结构 | IP68 (测试条件:在水深1米的水槽中浸泡100小时) (注1) |
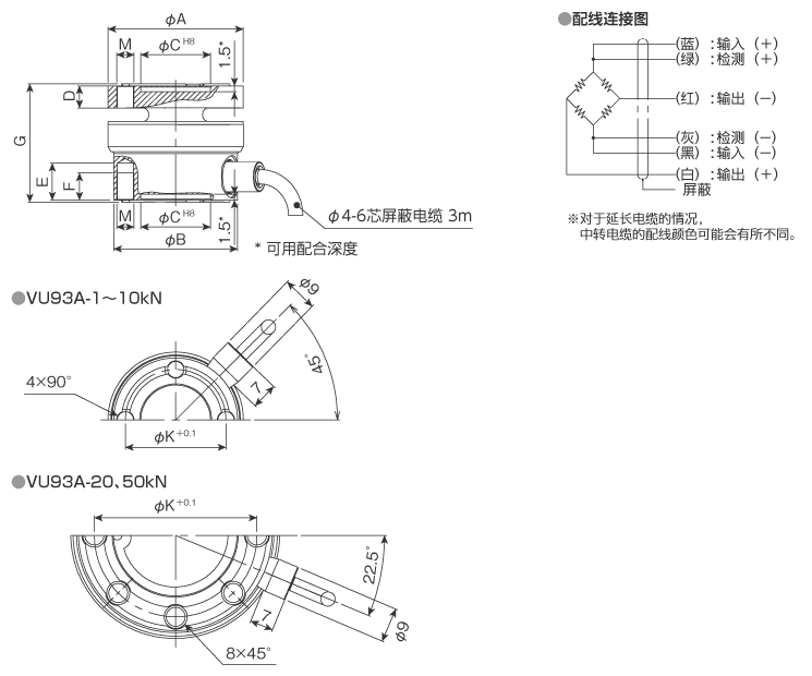
| 电缆 | φ4-6芯屏蔽电缆 3m 聚氨酯涂层、最小弯曲半径 22mm |
- (※) 蠕变30分钟:±0.1%R.C.
- (注1) 由于电缆外皮会随时间发生老化,可能会降低电缆取出口的密封性能。
型号选择
| 型号 | 额定容量 | 额定位移量 | 侧向力产生的影响 | 额定容量下的极限弯矩 (※1) |
静态极限应力 (额定容量被加载时的数值) (※1) |
允许相对动载荷 |
|---|---|---|---|---|---|---|
| VU93A-1KN | 1kN | 0.023mm | 0.2% | 15Nm | 800%R.C. | 150%R.C. |
| VU93A-2KN | 2kN | 30Nm | 500%R.C. | |||
| VU93A-5KN | 5kN | 0.033mm | 0.5% | 45Nm | 200%R.C. | |
| VU93A-10KN | 10kN | 0.051mm | 120Nm | 100%R.C. | ||
| VU93A-20KN | 20kN | 0.052mm | 0.4% | 380Nm | 200%R.C. | |
| VU93A-50KN | 50kN | 0.082mm | 350Nm | 100%R.C. |
| 选择 | 型号 | φA | φB | φCH8 | D | E | F | G | ±0.1 φK |
M | 质量 (※2) |
|---|---|---|---|---|---|---|---|---|---|---|---|
| VU93A-1KN | 35 | 33 | 18 | 6.2 | 9 | 7 | 30.5 | 26 | M5 | 150g | |
| VU93A-2KN | |||||||||||
| VU93A-5KN | |||||||||||
| VU93A-10KN | |||||||||||
| VU93A-20KN | 54 | 51 | 32 | 11 | 12 | 10 | 48 | 42 | M6 | 530g | |
| VU93A-50KN |
- (※1) 测量机体规格:请遵守所使用螺钉的机械极限
- (※2) 不含电缆
外形尺寸(单位:mm)
荷重计

