NEW
耐横力フラットタイプロードセル
VU93A series
1kN~50kN
- 横力補正機構静的限界応力100~800%R.C.
- 両面フランジ
- 薄型設計
- 耐油ケーブル
仕様
| 定格出力 | 1~1.5mV/V |
|---|---|
| 非直線性 | ±0.2%R.C. |
| ヒステリシス | ±0.2%R.C. |
| 繰り返し性 | ±0.1%R.C. |
| 零バランス | -0.2~+0.2mV/V |
| 零点の温度影響 | ±0.2%R.C./10℃ |
| 出力の温度影響 | ±0.2%R.C./10℃ |
| 許容過負荷 | 150%R.C. |
| 温度補償範囲 | -10~70℃ |
| 許容温度範囲 | -30~85℃ |
| 入力抵抗 | 295Ω以上 |
| 出力抵抗 | 295~400Ω |
| 推奨印加電圧 | 5V以下 |
| 最大印加電圧 | 0.5~12V |
| 絶縁抵抗 | 5GΩ以上 |
| 保護構造 | IP68 (試験条件:水深1mの水槽に100時間浸水) (注1) |
| ケーブル | φ4-6芯シールドケーブル 3m ポリウレタン被覆、最小曲げ半径22mm |
- (※) クリープ30分 ±0.1%R.C.
- (注1) ケーブル外皮の経年変化によりケーブル取出し口のシール性が低下する場合があります。
型式の選択
| 型式 | 定格容量 | 定格変位量 | 横力による 影響 |
定格容量時における 限界曲げモーメント(※1) |
静的限界応力 (定格容量が負荷されて いる時の値)(※1) |
許容 相対動負荷 |
|---|---|---|---|---|---|---|
| VU93A-1KN | 1kN | 0.023mm | 0.2% | 15Nm | 800%R.C. | 150%R.C. |
| VU93A-2KN | 2kN | 30Nm | 500%R.C. | |||
| VU93A-5KN | 5kN | 0.033mm | 0.5% | 45Nm | 200%R.C. | |
| VU93A-10KN | 10kN | 0.051mm | 120Nm | 100%R.C. | ||
| VU93A-20KN | 20kN | 0.052mm | 0.4% | 380Nm | 200%R.C. | |
| VU93A-50KN | 50kN | 0.082mm | 350Nm | 100%R.C. |
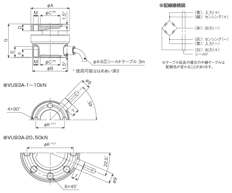
| 選択 | 型式 | φA | φB | φCH8 | D | E | F | G | ±0.1 φK |
M | 質量(※2) |
|---|---|---|---|---|---|---|---|---|---|---|---|
| VU93A-1KN | 35 | 33 | 18 | 6.2 | 9 | 7 | 30.5 | 26 | M5 | 150g | |
| VU93A-2KN | |||||||||||
| VU93A-5KN | |||||||||||
| VU93A-10KN | |||||||||||
| VU93A-20KN | 54 | 51 | 32 | 11 | 12 | 10 | 48 | 42 | M6 | 530g | |
| VU93A-50KN |
- (※1)測定ボディの仕様:使用するねじの機械的限界を遵守してください。
- (※2)ケーブル含まず
外形寸法(単位:mm)

ロードセル

