
点検箇所が多い

点検場所が遠い

高所・狭所で
確認するのが大変
圧力・温度・振動の
読み間違いがある
記録をまとめる
のが面倒
無線式マルチセンサで省力化!
圧力・温度・振動の目視確認をDX化
3in1
無線式マルチセンサ
VWS series 

点検箇所が多い

点検場所が遠い

高所・狭所で
確認するのが大変

圧力・温度・振動の
読み間違いがある

記録をまとめる
のが面倒
無線式マルチセンサで省力化!

VWS
マルチセンサ

VWR
受信機

VWRD
受信機ドック

VWRE
中継機



3つのメリット
無線式マルチセンサVWS seriesはコストパフォーマンスに優れ、
センサの新設・増設が容易に行えます。
だから、普段管理していない箇所の遠隔確認や
目に見えない圧力・温度・振動情報の見える化も手軽に実現!
針式圧力計は壊れていてもすぐに分からず、見方で誤差も生じます。
データの自動収集と手間の解消、働き方改革の推進に、ぜひお役立てください!!

「LoRa」とは、非営利団体:LoRa Alliance®が策定した低消費電力、広域通信の無線規格で、一般に普及している無線LANとは異なる規格です。
「Private LoRa」はLoRa規格の一部のプロトコル(通信規格)が使用する企業ごとに異なるもので、他者は入ることができません。
そのため、安全・安心な無線といえます。

広い工場や遠い検査箇所への巡回

着替えが必要

転記・PC入力作業が必要
1本から導入可能なマルチセンサは、段階的な拡張ができ、初期投資を抑えつつ効果を見ながら導入範囲を広げることができます。
左記のような状況の現場で導入し、1日約20分の無線・データ自動収集を行うことで、コストダウン・時短が達成可能です。
※1時間に1回のデータ収集として

Private LoRaはクラウドサービスではありませんから、ネットワーク関連費は不要。
中継・受信器の電気代程度です。
従来の記帳方法と違い、一定時間間隔のデータが収集でき、人による誤記・時間による変化・気温等の相関関係でトレンド監視が可能です。


異常時は自動で通知
※中継器を使用した場合。中継器を使用しないセンサ←→受信機直接の無線到達距離は1km

本来、振動のないポンプ軸を振動計測することで、ブローなどの兆候をつかむことができ予防保全が行えます。
その他の用途
加速度・速度(ピーク/RMS)10~1000Hz、X・Y・Z軸での振動診断が有効なポンプ
(生産現場で稼働する多くのポンプに有効で、マルチセンサで検出可能です)
遠心ポンプ
渦巻ポンプ
多段ポンプ
ギアポンプ
ダイアフラムポンプ
スクリューポンプ
真空ポンプ
冷却循環水、循環油圧、ボンベなど圧力・温度・振動の監視が必要な所で目では見えない情報の見える化が可能です。その時の目的に合わせ、切り替えて同時に監視・記録が行えます。


▲冷却水循環ポンプ圧

▲ガスボンベ圧
| ①加速度ピーク | 測定した加速度データのMAX値 |
|---|---|
| ②加速度RMS | 測定した加速度データの実効値(二乗した加速度データの平均値の平方根) |
| ③FFTピーク周波数 | 測定した加速度データを周波数成分に変換(FFT)した結果の周波数データFFT結果の内、加速度の大きいデータ上位3データの周波数データ |
| ④FFTピーク加速度 | 測定した加速度データを周波数成分に変換(FFT)した結果の振幅(加速度)データFFT結果の内、加速度の大きいデータ上位3データの周波数データ |
| ⑤速度ピーク | FFT結果の加速度を変換した中で最も速度の大きいデータ |
| ⑥速度RMS | 測定した加速度データを速度に変換したデータの実効値(二乗した加速度データの平均値の平方根) |
最大1kmの長距離通信と電蓄駆動の低消費電力で長時間通信でき、ストレスフリーで使用できます。また、中継機を使用することで最大約2kmの長距離通信も可能です。
LoRa(Long Range)通信は免許不要の国際無線通信規格で、国内では920MHz帯(サブギガ帯域)を使用します。ゲートウェイ(当システムの受信機)を設置するPrivate LoRa方式では通信費も不要で、データの収集と見える化を推進する製造業を中心に近年注目されています。
無線式センサでDX化することで、計測データはリアルタイムに自動で記録・蓄積されます。計測周期のタイミングはセンサごとに設定可能で、データはPCまたはWindowsタブレット内に自動でCSVファイルで保存されます。
遠い箇所の確認が大変

高所の確認が大変

狭い箇所の確認が大変

入りにくい箇所の確認が大変

読み取り、記入時の間違い

転記時の負荷と写し間違い

頻繁に確認したい箇所がある

巡回時以外の状態がわからない


入手・交換がしやすい市販電池を無線式センサの電源として使用しています。電池ソケットの採用でセンサ上向き位置でキャップを外しても電池は落下しません。低電力駆動のため、1回/1hの計測なら、約2.5年の電池寿命です。電池残量が少なくなった場合はPCまたはWindowsタブレットにエラー表示されます。
| 環境温度25℃の場合 (環境温度により電池寿命は多少変化します) |
||
|---|---|---|
| 測定モード | 測定周期 | 電池寿命 (目安) |
| 省電力モード | 1時間 | 約2.5年 |

近日発売予定
電池切れの心配を解消した、外部電源タイプがラインナップに加わりました。DC5V~30V、M12コネクタで電源供給が行えます。電池交換の手間、電池切れによるデータ計測中断のリスクを解消しました。途切れない傾向監視が必要な箇所にご導入ください。
※M12コネクタ・ケーブルは付属いたしません。

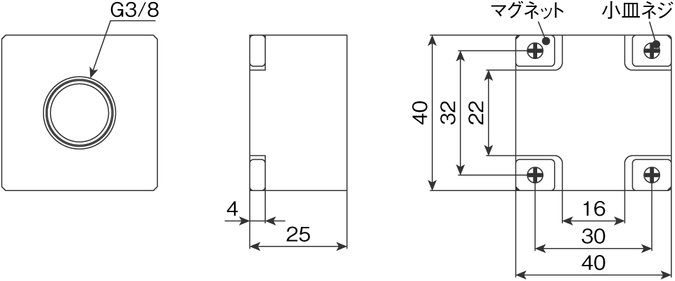
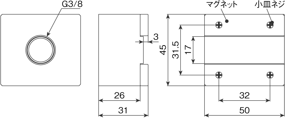
圧力・温度はチーズ管、振動はマグネットスペーサでカンタンに取り付け可能です。各種ジョイントもご用意しています。

マグネットスペーサ
振動計測だけなら、マグネットスペーサでカンタンに取り付け測定データ(加速度)できます。

各種ジョイント
受信機から発信されるBluetooth® LEを使用して、計測・監視結果はWindowsタブレットでも閲覧可能です。

圧力・温度・振動の異常、通信異常、電池残量が少なくなった場合にはエラーアラート画面が最前面に積極表示され、ログに記録されます。また、センサ1本ごとに圧力・温度・振動のエラー値を設定できます。

受信機1台でセンサ100本まで管理
状態一覧表示
全センサ一括設定機能
常時CSV上書き記録
登録センサごとの現在状態表示、経過グラフ、アラーム設定値内容など詳細な情報が掲載されています。ここに掲載された情報はすべて更新されるたびにCSVファイルに自動保存されます。

一覧表示では複数センサの状態を一度に把握できます。状態異常が発生している場合は赤で表示されるため、全体的な異常の有無を直感的に把握できます。

ログ表示では指定したセンサの測定履歴を確認することができます。測定ログ、作業ログ、設定ログの3種類があり、各データは最大16000件まで表示されます。

3in1タイプのマルチセンサは、2in1:圧力+温度測定のモードと3in1:圧力+温度+振動測定のモードを切り替えて使用可能です。下記のように各アプリケーションと互換性があります。
| 対象 | 3in1アプリ (PT Viewer 3in1 / PT Viewer 2) |
2in1アプリ (PT Viewer) |
|---|---|---|
| VWS11シリーズ | 使用可能 (振動測定は使用不可) |
使用可能 |
| VWS21シリーズ (2in1モード) |
使用可能 (振動測定は使用不可) |
使用可能 |
| VWS21シリーズ (3in1モード) |
使用可能 | 2in1モードに切替れば使用可能 |
※2in1モードは測定方法を圧力+温度測定、3in1モードは測定方法を圧力+温度+振動測定に設定した状態です。
| 圧力センサ | |
|---|---|
| 検出方式 | 隔膜式半導体 |
| 圧力測定範囲 | 1、3、5、10、20、35、50MPa |
| 測定精度 | ±0.5%F.S.(0~85℃) ±2.0%F.S.(−30~100℃) |
| 許容過負荷 | 150%R.C. |
| 温度センサ | |
| 検出方式 | 白金(Pt) |
| 温度測定範囲 | −30~100℃(受圧部温度) |
| 測定精度 | ±1.0℃(0~85℃) ±2.0℃(0℃未満、85℃超過) ※実際の温度の測定精度はお客様のご使用環境に依存します。 |
| 振動センサ | |
| 測定値 | 加速度(ピーク、RMS) 速度(ピーク、RMS) 周波数(周波数、加速度ピーク、加速度上位3点または指定周波数3点) |
| 測定軸 | X、Y、Z |
| 測定範囲 | 加速度 −50~50m/s² 速度 0~30mm/s² |
| 測定周波数 | 10~1,000Hz未満 |
| 測定精度 | ±20%F.S. @300Hz |
| その他仕様 | |
| 測定媒体 | ステンレス(SUS304、SUS316L)を腐食させない媒体 |
| 電池寿命 | 約2.5年(圧力・温度測定時 1回/1h測定、1回/5s受信) 約2.5年(圧力・温度・振動測定時 1回/1h測定、1回/30s受信) |
| 動作温湿度範囲 | 温度:−20~60℃ 湿度:0~85%RH(結露、氷結不可) |
| 電源 | 電池タイプ:CR-V3 外部電源タイプ:DC5V~30V(接続はM12コネクタで供給可能) |
| 測定周期 | 中継機未使用 圧力・温度測定時 センサ1台につきMIN5秒 圧力・温度・振動測定時 センサ1台の場合MIN30秒 中継機使用 圧力・温度測定時 センサ1台につきMIN10秒 圧力・温度・振動測定時 センサ1台の場合MIN60秒 ※測定周期は1s単位で設定可能です。 |
| 無線規格 | LPWA(Private LoRa) |
| 通信距離 | 見通しの良い環境で最大1.0km |
| 質量 | 約183g(電池なし) |
| 締付けトルク | 70N・m以下(55N・m以上を推奨) |
| 耐振動性 | 5G以下 |
| 付属品 | 電池(CR-V3タイプ)1個 ※電池タイプのみ |
| 適合規格 | |
| 保護等級 | IP65、IP67 |
| 工事設計認証 (電波法) |
取得済 |
| その他 | 欧州RoHS指令(EN IEC 63000:2018) ※出力通信仕様:1 国内向けCEマークなし |
※本製品は防爆仕様の製品ではありません。可燃性ガスや可燃性蒸気などの爆発性雰囲気内で使用することはできません。
①基本型式
VWS
②計測種類
2
③出力通信仕様
1
④定格容量
□□
⑤ねじ形状
1
⑥電源仕様
| 型式選択 | チェック | 型式 | 仕様 |
|---|---|---|---|
| ①基本型式 | ○ | VWS | 無線式マルチセンサ |
| ②計測種類 | ○ | 2 | 圧力計測+温度計測+振動計測 |
| ③出力通信仕様 | ○ | 1 | LoRa通信:日本国内向 (920.6~923.4MHz) |
| ④定格容量 | 01 | 定格容量1MPa | |
| 03 | 定格容量3MPa | ||
| 05 | 定格容量5MPa | ||
| 10 | 定格容量10MPa | ||
| 20 | 定格容量20MPa | ||
| 35 | 定格容量35MPa | ||
| 50 | 定格容量50MPa | ||
| ⑤ねじ形状 | ○ | 1 | G3/8 |
| ⑥電源仕様 | 1 | 電池タイプ:CR-V3 | |
| 2 | 外部電源タイプ:DC5V~30V |

型式 : WS1001Z-18
G3/8 → R1/4 (材質:SUS316)


型式 : WS1001Z-19
G3/8 → G1/4 (材質:SUS316)


※銅パッキンが1個付属します。
パッキン穴径:5.5(mm)、パッキン径:11(mm)、厚さ:1(mm)
型式 : WS1001Z-20
G3/8 → R3/8 (材質:SUS316)


型式 : WS1001Z-21
G3/8 → G3/8 (材質:SUS316)


※銅パッキンが1個付属します。
パッキン穴径:5.5(mm)、パッキン径:14(mm)、厚さ:1(mm)
型式 : WS1001Z-22
G3/8 → R1/2 (材質:SUS316)


| 通信規格 | LoRa、Bluetooth® LE |
|---|---|
| 通信距離 | 1km以上(見通しの良い環境) |
| アンテナ | 内蔵アンテナ |
| 通信台数 | 最大100台 |
| 電源 | リチウム電池(充電式) |
| 動作時間 | 10時間 |
|---|---|
| 充電時間 | 3時間 |
| 動作/保存温度 | −20~60℃ |
| 動作/保存湿度 | 0~90%RH(結露無きこと) |
| 保護構造 | IP65相当 |
| 適合規格 | RoHS2 |
①基本型式
VWR
②計測種類
2
③出力通信仕様
1
④電源仕様
1
| 型式選択 | チェック | 型式 | 仕様 |
|---|---|---|---|
| ①基本型式 | ○ | VWR | 無線式マルチセンサ専用受信機 |
| ②計測種類 | ○ | 2 | 圧力計測+温度計測+振動計測 |
| ③出力通信仕様 | ○ | 1 | LoRa通信:日本国内向 (920.6~923.4MHz) Bluetooth® LE |
| ④電源仕様 | ○ | 1 | リチウムイオン2次電池 ※ |
※専用ドック(VWRD)に接続することで充電が可能です。

| 通信規格 | LAN |
|---|---|
| 電源 | ACアダプタ |
| 動作/保存温度 | −20~60℃ |
| 動作/保存湿度 | 0~90%RH(結露無きこと) |
|---|---|
| 適合規格 | RoHS2 |
| 付属品 | 専用AC電源アダプタ |
①基本型式
VWRD
②出力通信仕様
2
③電源仕様
1
| 型式選択 | チェック | 型式 | 仕様 |
|---|---|---|---|
| ①基本型式 | ○ | VWRD | 無線式マルチセンサ専用受信機ドック |
| ②出力通信仕様 | ○ | 2 | LAN(有線接続) |
| ③電源仕様 | ○ | 1 | 付属専用ACアダプタによる給電 |

| 通信規格 | LoRa |
|---|---|
| 通信距離 | 1km以上(見通しの良い環境) |
| 電源 | ACアダプタ |
| 動作/保存温度 | −20~60℃ |
|---|---|
| 動作/保存湿度 | 0~90%RH(結露無きこと) |
| 適合規格 | RoHS2 |
| 付属品 | 専用AC電源アダプタ |
①基本型式
VWRE
②出力通信仕様
2
③電源仕様
1
| 型式選択 | チェック | 型式 | 仕様 |
|---|---|---|---|
| ①基本型式 | ○ | VWRE | 無線式マルチセンサ専用中継機 |
| ②出力通信仕様 | ○ | 2 | LoRa通信:日本国内向 (920.6~923.4MHz) |
| ③電源仕様 | ○ | 1 | 付属専用ACアダプタによる給電 |



| 質量 | 約100g |
|---|---|
| 吸着力 | 2kgf(垂直方向に取付時のみ有効)×4個使用 ※ |
| 使用温度範囲 | −20~70℃ |


| 質量 | 約190g |
|---|---|
| 吸着力 | 21kgf(垂直方向に取付時のみ有効)×2個使用 ※ |
| 使用温度範囲 | −20~70℃ |


| 質量 | 約450g |
|---|---|
| 吸着力 | 21kgf(垂直方向に取付時のみ有効)×5個使用 ※ |
| 使用温度範囲 | −20~70℃ |
※厚みの十分ある鉄板(SS41鉄板厚み10mm以上、面仕上げ10S)に磁石を吸着させた状態で、鉄板に対して磁石を垂直に引っ張った際、磁石が鉄板から離れた瞬間の引っ張る力の値となります。
| 電圧 | 入力:AC100~240V、出力:DC5V±5% |
|---|---|
| プラグ形状 | 3ピン |
| 周波数 | 50/60Hz |
| 動作/保存温度 | −20~60℃ |
|---|---|
| 動作/保存湿度 | 0~90%RH(結露無きこと) |
| 適合規格 | RoHS2 |
※専用電源アダプタ以外を使わないでください
※取扱説明書のダウンロードには会員登録が必要です。
※ソフトウェアのダウンロードには会員登録が必要です。
取扱説明書のダウンロードには会員登録が必要です。
会員登録がお済みの方は下記よりログインしてください。
会員登録がお済みでない方はこちらより会員登録をお願いいたします。