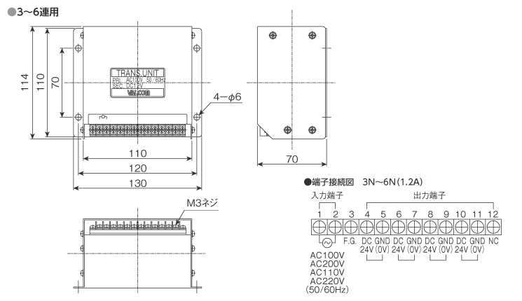
当社製品専用トランスユニット
電源トランス series
- センサ1台の接続から最大6台まで接続可能な多連式をご用意

型式の選択

| 型式選択 | チェック | 型式 | 仕様 |
|---|---|---|---|
| 1.基本型式 | TUP | アンプモジュールVPJ用 | |
| 2.入力電源(PRI) | AC100V | AC100V(±10%)50/60Hz | |
| AC200V | AC200V(±10%)50/60Hz | ||
| AC110V | AC110V(±10%)50/60Hz | ||
| AC220V | AC220V(±10%)50/60Hz | ||
| 3.出力(SEC) | 4 | DC24V | |
| 4.連数 | 1 | 単体用:1N (アンプ内蔵圧力センサ1台に接続可能) | |
| 2 | 2連用:2N | ||
| □□ | 3~6連用: N |
外形寸法(単位:mm)
指示計

