停止生产机型後継機:VGM5-1
数字面板显示表 VALCOLOR系列
F4/F5 series
在涂装、水处理领域发挥威力
F4/F5根据2ch.的输入运算差压,
显示到主显示屏中。利用各种设定输出,更加便利。
- 可以根据显示值(主显示)的颜色判断当前的运行状态(正常/异常),便于观察。
- 测量值的显示颜色,可以按照通过设定值划分的不同区域,选择设为“红、橙、绿”三种颜色。
- 采用“ 1000次/秒”的高速采样。
- 利用高速输出功能,可以用于高速控制/安全控制。
- 模模拟输出标配有“4~20mA”“1~5V”“0~5V”。
- 带有可以自由改变测量范围设定的量程比例调试功能。
规格
| 输入信号 | 过程输入:从4~20mA/0~5V/1~5V/0~10V 选择 传感器用电源:DC12V 80mA max. |
|---|---|
| 输入阻抗 | 4~20mA:68Ω 0~5V/1~5V/0~10V:68kΩ |
| 显示 | -9999~9999(小数点任意设定) LCD4位数 3色(红、橙、绿)变色显示 |
| 采样周期 | 1000次/秒 max. |
| 显示更新周期 | 1~10次/秒 可选择 |
| 准确度 | 显示:± 0.05%F.S.±1digit(25℃±3℃) 模拟量输出:±0.5%F.S.(25℃±3℃) |
| 模拟量输出 | 4~20mA/0~5V/1~5V 切换选择 选配 0~10V(※1) |
| 设定输出 (根据型号选择) |
4设定 继电器输出 AC125V 0.3A(每个设定) / DC24V 1A(每个设定) 输出的响应时间 6msec.以下(※1) 4设定 PhotoMOS继电器输出 AC / DC250V 0.1A(每个设定) 输出的响应时间 5msec.以下(※1) |
| 环境温度范围 | 0~55℃(不可结冰) |
| 使用湿度范围 | 35~85%RH(不可结露) |
| 电源 (根据型号选择) |
电源 AC90~240V 50/60Hz 耗电量 15VA以下 |
| 电源 DC24V ±10% 耗电量 300mA以下 | |
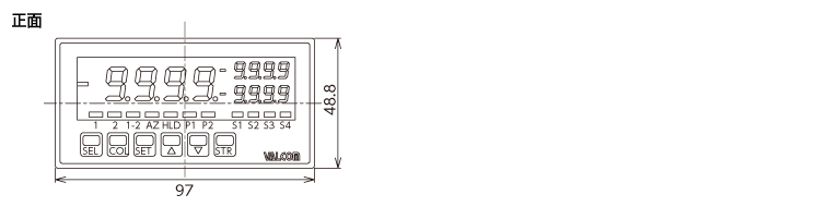
| 外形尺寸 | 97(W)×48.8(H)×132.5(D) ※无输出选配的情况 |
| 质量 | 约300g(随规格而不同) |
| 配件 | 使用说明书、单位标签、初始设定表、面板支架、安费诺连接器(5730240)(仅BCD输出功能) |
| 其他功能 | 显示比例缩放、模拟输出比例缩放、显示保持(上峰/峰谷/区间峰/峰to峰/采样保持)、自动归零、最大値/最小値表示、模式选择、模拟测试功能、输入值转换 副显示ON/OFF、按键锁保护、主显示屏颜色可变显示、显示更新周期设定、节能模式ON/OFF、采样速度设定、迟延常数、零限点ON/OFF、修复零点 |
- (※1)0~90%响应时间。 当采样周期、迟延常数设为最大速度时
设定输出
| F4 | 对于ch.(1-2)输出四个设定 |
|---|---|
| F5 | 对于ch.1,输出两个设定 对于ch.(1-2)输出两个设定 |
选配输出
| A5 模拟输出 (0~10V) |
0~10V 允许负载电阻 10kΩ以上 响应时间 4msec.以下(※) 模拟输出精度 ±0.5%F.S.(25℃±3℃) 温度特性 ±0.35%F.S./10℃ |
|---|---|
| BO BCD集电极开路输出 |
NPN集电极开路 DC50V 100mA以下 响应时间 5msec.以下(※) |
| RS RS-232C |
符合RS-232C 双线式半双工 起止同步 传送速度(300/600 1200/2400/4800/9600/19200/38400 bps) 停止位(1, 2位) 奇偶校验(无、奇数、偶数) 通信数据长(7, 8位) 单元No.(0~99) |
| R1 RS-485 |
符合RS-485 双线式半双工 起止同步 传送速度(300/600 1200/2400/4800/9600/19200/38400 bps) 停止位(1, 2位) 奇偶校验(无、奇数、偶数) 通信数据长(7, 8位) 单元No.(0~99) |
- (※)0~90%响应时间。 当采样周期、迟延常数设为最大速度时
型号选择

| 型号选择 | 核对 | 型号 | 规格 |
|---|---|---|---|
| 1.基本型号 | F4 | 2ch.输入 差压运算主显示切换型 (可通过正面的[SEL]键将主显示切换到ch.1、ch.2、ch(. 1-2)) |
|
| F5 | 2ch.输入 差压运算主显示切换型 (可通过正面的[SEL]键将主显示切换到ch.1、ch.2、ch(. 1-2)) |
||
| 2.电源[耗电量] | 4 | DC电源 24V ±10% 耗电量 300mA以下 | |
| 7 | AC电源 90~240V 耗电量 50/60Hz 15VA以下 | ||
| 3.输入信号 | N | 多点输入 过程输入 4~20mA/0~5V/1~5V 传感用器电源 DC12V 80mA max. |
|
| A5 | 0~10V/4~20mA(注) | ||
| 4.设定输出 | S | 4设定 继电器输出 AC125V 0.3A / DC24V 1A(每个设定) | |
| O | 4设定 PhotoMOS继电器输出 AC / DC250V 0.1A(每个设定) | ||
| 5.输出信号 (指定选配) |
无填写 | 4~20mA 允许负载电阻:250Ω以下 0~5V/1~5V 允许负载电阻:10kΩ以上 模拟量输出精度 ±0.5%F.S.(25℃±3℃) 温度特性 ±0.35%F.S./10℃ |
|
| A5 | 模拟量输出 0~10V 允许负载电阻:10kΩ以上 | ||
| BO | BCD集电极开路输出 NPN型 | ||
| RS | RS-232C | ||
| R1 | RS-485 |
- (注)如您在本机上连接本公司放大器内置传感器0~10V输出型(型式:A5)产品,则不能使用本机的传感器用供电电源。
请另行准备传感器用的供电电源。
外形尺寸(单位:mm)
F4/F5 过程输入类型
端子台连接图
(A)控制端子连接图 输出、控制输入用端子台(上段)连接图
| 端子编号 | 端子名 | 功能説明 | 端子编号 | 端子名 | 功能説明 |
|---|---|---|---|---|---|
| 1 | SCOM | 比较设定输出COM | 8 | HLD | 保持 |
| 2 | S1 | 比较设定输出1 | 9 | P.SEL2 | 样式选择2 |
| 3 | S2 | 比较设定输出2 | FZ | 强制清零 | |
| 4 | S3 | 比较设定输出3 | 10 | P.SEL1 | 样式选择1 |
| 5 | S4 | 比较设定输出4 | CLR | 清除 | |
| 6 | ICOM | 控制输入COM | 11 | ACOM | 模拟输出COM |
| 7 | SPC | 采样保持清除 | 12 | IOUT | 模拟(电流)输出+ |
| AZ | 自动归零 | 13 | VOUT | 模拟(电压)输出+ |
(B)可选输出连接图
●BCD信号输出
安费诺连接器 : 5740240 配件 : 安费诺连接器 : 5730240
| 项目 | 插针编号 | 项目 | |||
|---|---|---|---|---|---|
| EOC(转换结束信号) | 1 | 13 | 数字GND. | ||
| ×100 BCD OUT |
1 | 2 | 14 | 1 | ×102 BCD OUT |
| 2 | 3 | 15 | 2 | ||
| 4 | 4 | 16 | 4 | ||
| 8 | 5 | 17 | 8 | ||
| ×101 BCD OUT |
1 | 6 | 18 | 1 | ×103 BCD OUT |
| 2 | 7 | 19 | 2 | ||
| 4 | 8 | 20 | 4 | ||
| 8 | 9 | 21 | 8 | ||
| - | 10 | 22 | - | ||
| OVER(超过) | 11 | 23 | POL.(极性) | ||
| - | 12 | 24 | - | ||
●RS-232C通信
| 信号名称简写 | 插针编号 | 功能説明 | 输入输出 |
|---|---|---|---|
| SD | 2 | 发送数据 | 输出 |
| RD | 3 | 接收数据 | 输入 |
| FG | 1 | 安全接地或电缆的屏蔽 | - |
| RS | 4 | 发送要求 | 输出 |
| CS | 5 | 送信可 | 输入 |
| SG | 7 | 信号用接地 | - |
| DR | 6 | 数据集就绪 | 输入 |
| ER | 20 | 数据终端就绪 | 输出 |
●RS-485通信
| 信号名 | 插针编号 | 项目 | 输入输出 |
|---|---|---|---|
| A+ | 23 | 非反转输出 | 输入输出 |
| B- | 24 | 反转输出 | 输入输出 |
| SG | 25 | 信号用接地 | - |
| 终端电阻 | 26 | 最终站 将两端子短路 |
- |
| 27 |
(C)输入输出端子连接图
指示计

