General-purpose Pressure Transducer for Middle High Pressure
VPRQ(IS)/VPRQF(IS) series (For explosion-proof)1MPa–100MPa
- Sensor machined integral with diaphragm offers durability and long life.
- Economy type that offers quick delivery and low price.
- Pressure port diameter is as large as 9.5 mm, which allows less sludge or fluid to accumulate
| Measured medium | Water, oil, gases or other media that will not corrode 15-5PH (precipitation-hardened stainless steel). |
|---|---|
| Pressure Type | Positive and compound pressures can be measured. |
| Rated capacity | 1–100MPa |
Specifications
| Rated Output(R.O.) | 1.53mV/V ±0.153mV/V (1MPa,2MPa:1.53mV/V +0.688mV/V-0.20mV/V) |
|---|---|
| Non Linearity | ±0.8%R.C. (100MPa:±1%R.C.) |
| Hysteresis | ±0.8%R.C. (100MPa:±1%R.C.) |
| Excitation; Recommended | 6V |
| Excitation; Maximum | 15V |
| Input Terminal Resistance | 350±7Ω |
| Output Terminal Resistance | 300–357Ω (100MPa:350–357Ω) |
| Insulation Resistance | 1000MΩ or more (DC50V) |
| Compensated Temperature Range (Temperature of medium to be measured) |
−20–+60°C (No condensation or freezing) |
| Safe Temperature Range (Temperature of medium to be measured) |
−20–+60°C (No condensation or freezing) |
| Safe Overload Rating | 150%R.C. |
| Ultimate Overload Rating | 200%R.C. |
| Temperature Effect on Zero Balance | ±0.2%R.C./10°C (100MPa:±1%R.C./10°C) |
| Temperature Effect on Load | ±1%R.C./10°C |
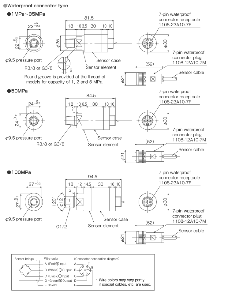
| Fastening Torque;Recommended | 1MPa–5MPa:20N·m, 10MPa–50MPa:40N·m, 100MPa:80N·m |
| Fastening Torque;Maximum | 1MPa–5MPa:30N·m, 10MPa–50MPa:60N·m, 100MPa:120N·m |
| Connection Screw | Selectable: R3/8 and G3/8 (100MPa: G1/2 only) (*1) |
| Pressure Port Material | 15-5PH (Precipitation hardening stainless steels) |
| Cable | 4-core shielded (oilproof) cable 3m(Standard) φ6.6mm |
| Weight | Approx. 200g (Cable not included) |
| Accessories | Test report 1 copy, Copper packing(×1) (G screw only) |
Model Selection * See here for explosion-proof

| Selection | Check | Model | Specifications | |
|---|---|---|---|---|
| 1.Model | VPRQ(IS) | General-purpose Pressure Transducer for Middle High Pressure *Connection screw: R3/8 |
||
| VPRQF(IS) | General-purpose Pressure Transducer for Middle High Pressure *Connection screw: G3/8(100MPa:G1/2 only) |
|||
| 2.Rated Capacity (R.C.) | 1MP | 1MPa | ||
| 2MP | 2MPa | |||
| 5MP | 5MPa | |||
| 10MP | 10MPa | |||
| 20MP | 20MPa | |||
| 35MP | 35MPa | |||
| 50MP | 50MPa | |||
| 100MP | 100MPa (VPRQFのみ) | |||
| 3.Cable Connection | Blank | Standard connector Equivalent to IP40 | ||
| W | Waterproof connector Equivalent to IP56 | |||
| 4.Length (Cable) | 3m | 3m Standard | ||
| 5m | 5m | |||
| 10m | 10m | |||
| □□m | Other length *Contact our sales office for other cable lengths. | |||
External dimensions (Unit: mm)

Pressure Sensor

