Power Converter for Pressure Transmitters
Power Converter series
- Dedicated converter unit that converts AC current into DC current with no noises, and supplies it to the pressure transmitter with built-in amplifier.
- From single sensor connection to multiple sensor connection up to 20 units available.
- Can be made to order according to your specification.
for Pressure TransmittersTUA series
Model Selection

| Selection | Check | Model | Specifications | |||
|---|---|---|---|---|---|---|
| 1.Model | ○ | TUA | Power Converter for Pressure Transmitters | |||
| 2.Input Power (PRI) | AC100V | AC100V (±10%) 50/60Hz | ||||
| AC200V | AC200V (±10%) 50/60Hz | |||||
| AC110V | AC110V (±10%) | |||||
| AC220V | AC220V (±10%) | |||||
| 3.Output (SEC) | 4 | DC24V | ||||
| 5 | DC12V | |||||
| 4.Number of Sensors | 1 | For single: 1 N (Can be connected to one pressure transmitter.) | ||||
| □□ | For 2 amplifiers: 2 N, For 3 amplifiers: 3 N, For 4 amplifiers: 4 N | |||||
| □□ | For 5 amplifiers: 5 N, For 6 amplifiers: 6 N, For 7 amplifiers: 7 N, For 8 amplifiers: 8 N |
|||||
| □□ | For 9–20 amplifiers:Specify within the range of 9 N – 20 N | |||||
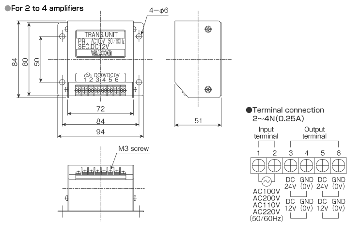
External dimensions (Unit: mm)
Pressure Sensor

